優質的服務流程
· quality of service processes ·

需求溝通傾聽客戶需求,了解用戶使用環境和現場工況
方案設計根據現場實際工況,針對性出具解決方案
合同簽訂技術和商務規范確認,簽訂合作協議
產品制作選擇最優質的元器件,嚴格按照技術協議
調試安裝現場規范安裝,靜態動態調試,分析儀運行
售后服務后續維護,持續跟進,終身維修

全國熱線
銷售熱線
公司地址山東濟南市槐蔭區太平河南路1567號均和云谷濟南匯智港6號樓
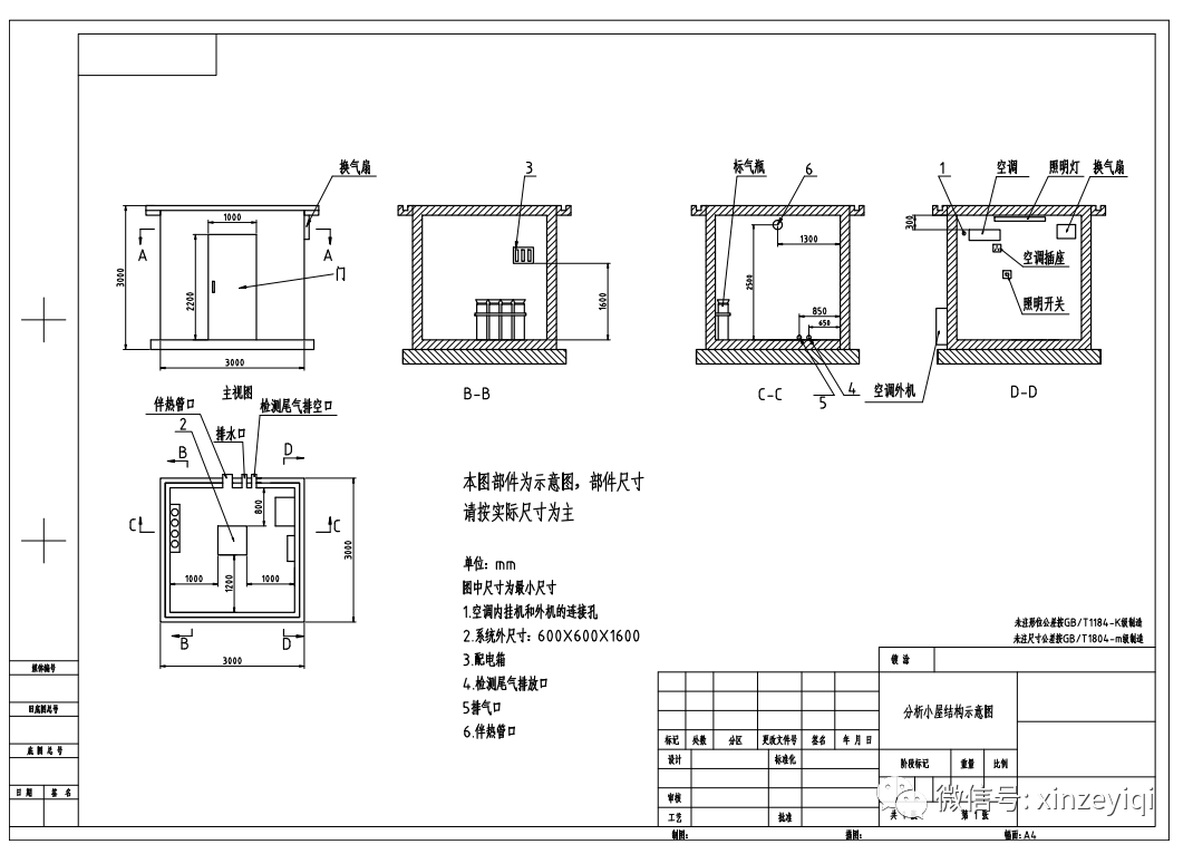
分析小屋,也可以稱為現場分析小屋。它是一種安裝分析儀的封閉型構筑物,分析儀的操作維護在小屋內進行。
分析小屋集在線氣體分析儀表及樣品處理系統于一體,并配備有供配電、空調系統、照明及氣體分析儀表所需載氣、標準氣、儀表空氣等基本設備。
施工要求
l 分析小屋:位置選擇原則為“就近原則”,應盡量靠近采樣探頭位置,采樣探頭的加熱輸送管線應盡量短
l 墻:應采用合適的材料滿足有關的結構和安全要求;(磚砌墻體:墻體結構為實心磚砌,內外墻粉刷混凝土和白粉灰,小屋墻頂實行混凝土現場澆灌平頂,進行防漏和隔熱處理;
l 地面:室內地面標高應高于室外地面標高至少200mm;地面應能防滑、防滲,必要時采用耐酸、堿地面。地面基礎荷載強度2000kg/m2;
l 窗:宜采用密閉固定窗;
l 開孔:在監測房內放置機柜背面墻壁(必要時側墻也可以,依據現場走線方便),距離地面高度的2.5m處,為樣氣管路及電纜管路開孔,開孔尺寸為Φ90mm圓孔,開孔數量1個;在機柜背面墻壁接近地面底部上開孔,開孔尺寸為ф40mm,開孔數量1個,作為廢氣廢水排放口;站房內應安裝排氣扇,應預留安裝排氣扇孔位,具體開孔尺寸依據所購買排氣扇尺寸;安裝空調開孔尺寸為Φ90mm圓孔;
l 防雷:系統的儀表設備工作電源應有良好的接地措施,接地線纜應大于4mm2的獨芯護套電纜;平臺、監測站房、交流電源設備、機柜、儀表和設備外殼、管纜屏蔽層和套管的防雷接地,可利用廠內區域保護接地網,采取多點接地方式;電源線和信號線加防雷器。

尺寸
l 分析小屋的使用面積不小于9m2;
l 室內凈高 2800mm~3000mm;
l 放置體積為 800mm*700mm*2000mm的機柜。
室內環境
CEMS 分析柜對環境溫度、濕度有一定要求,要求環境溫度在 20~35℃之間(典型溫度為25℃),相對濕度在80%以下,故分析小屋內需安裝通風設施和空調(1P)空調應具有來電自動復位功能,現場無強烈震動。
電源
220VAC、50Hz,10KW,接地可靠,一般接地電阻要求≤4歐姆。由用戶接到分析小屋的電源分線箱內,電源分線箱內配置3個空氣開關,規格分別為 60A,30A,30A各一個;還有一組220VAC的電源插座。電源線通過纜溝進入到儀器分析柜的下面,分析柜與墻壁之間的距離不小于500mm。
照明
考慮到 CEMS 分析柜安裝、維護等日常操作,需安裝照明,照明開關帶三線或二線插座。
氣液接入、排放
在指定位置預留樣氣入口、冷凝液排放口、尾氣排放口。
反吹氣源
排氣流量不低于 240L/min、壓縮空氣容量不低于50L、排氣壓力不低于0.8MPa的反吹氣源;并確保反吹氣源長期不間斷的提供,以保證設備的正常運行,氣源管末端應安裝 G1/2”內螺紋球閥或ф8mm管或快插接頭。
CEMS煙氣在線監測系統分析小屋尺寸圖



需求溝通傾聽客戶需求,了解用戶使用環境和現場工況
方案設計根據現場實際工況,針對性出具解決方案
合同簽訂技術和商務規范確認,簽訂合作協議
產品制作選擇最優質的元器件,嚴格按照技術協議
調試安裝現場規范安裝,靜態動態調試,分析儀運行
售后服務后續維護,持續跟進,終身維修